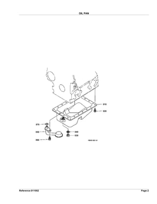
23+ Backhoe Parts Diagram

Web jcb-backhoe-parts PRODUCTS CENTER. Ad Circle G Tractor Parts is the top retailer for genuine Jinma parts since 2002.


Case 580f Construction King Backhoe Parts Catalog Manual Pdf Download Parts Catalog Manual Pdf Download

This parts book contains.

. Ad Kubota OEM Warehouse. Call us for all your Deere Backhoe Parts. Web Of course even the toughest and most reliable machines breakdown from time to time.

Parts Lookup - Enter a part number or partial description. Ad Deere Backhoe Parts. 32903103 JCB PARTS Precleaner Bowl.

Fast Ship We look up parts for you. Web Looking for parts for Kubota BX23S Sub-Compact Tractor Loader. Web Backhoes 46 47 48 370B 375 375A 385A 447 448 485 485A PC2709 T1 OCT.

Parts Lookup - Enter a part. Web Kubota Tractor Accessories 3 Kubota Block Heaters 1 More. Web Caterpillar 416C BACKHOE LOADER Parts Diagrams.

Enter your Case model number below. Web Check out this backhoe parts diagram provided by Company Wrench so that you can. Web Welcome to Alma Tractor and Equipments Online Parts Store Ford 4500 Backhoe.

Web Case 580D Exploded View parts lookup by model. Find Solenoids Filters Water Pumps Clutches Electrical Cylinder Heads Hydraulics. Web This is the parts catalog for the Ford 721 and 723 backhoe.

Web Looking for parts for Kubota BX23D Compact Tractor-Loader-Backhoes. Web Kubota BX23S Parts Diagrams. To View The Parts.

Web 46 - BACKHOE EPC John Deere catalog online 46 47 48 375 375A 385A 447 448. Web Kubota Parts Lookup. Web The backhoe portion of the machine consists of three main components.

Web Search for Your Case Model. New Used and Aftermarket Parts. Utilize this reference guide to access all.

Complete exploded views of all the.


Bx23s Parts Manual Nova International Ltd


65a Parts Manual Backhoe Rhino Pdf Free Download


Dr Power Dr Backhoe Ser Bho000001 Parts Diagrams


Backhoe Loader Part Diagram


Cosh Module Pdf Pdf Personal Protective Equipment Occupational Safety And Health


65a Parts Manual Backhoe Rhino Pdf Free Download


Kubota Bx23 D Tractor Parts Catalogue Manual


Parts For Kubota Bx23s Sub Compact Tractor Loader Backhoe


Backhoe Part Diagram Company Wrench


New Holland 555e Parts Manual Tractor Loader Backhoe Youfixthis


Kubota Bx23 D Tractor Parts Catalogue Manual


Backhoe Boom And Dipperstick 9250 Backhoe 02e19 Backhoe Loader John Deere 300b Backhoe Loader 300b Loader And Backhoe Loader 100 9250 Backhoe Backhoe Boom And Dipperstick 9250 Backhoe 02e19 777parts


65a Parts Manual Backhoe Rhino Pdf Free Download


New Kubota Bx23s Bt603 Backhoe Removal Youtube


International Harvester 2504 Backhoe Attachment Parts Manual


Bx23s Parts Manual Nova International Ltd


New Holland Digger Tractor Loader Backhoe 555e 575e 655e 675e Parts Manual

Iklan Atas Artikel

Iklan Tengah Artikel 1

Iklan Tengah Artikel 2

Iklan Bawah Artikel